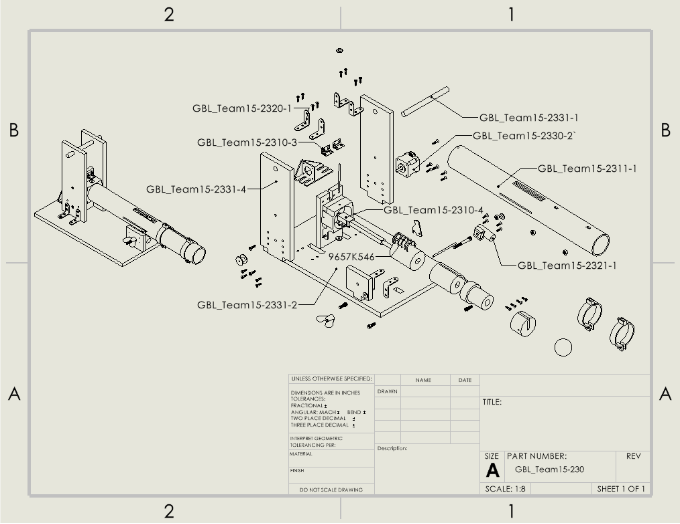
Mechanical Golf Ball Launcher



I designed and built a golf ball launcher that could aim and fire into a bucket with only distance as its input. I led design meetings, managed a GANTT chart, modeled mechanical components, animated launcher actuation, and created a program to calculate the required launch angle based on bucket distance before running the system through its launch sequence.



The trigger mechanism operates on the same principles as a crossbow. A linear actuator charges springs, which release their energy once the launcher fully draws back.







The kinematic calculator takes horizontal and vertical distances from the bucket as inputs and generates a launch angle that can achieve the proper trajectory.